公差計算 229515-公差計算
公差と測定精度の関係 長さが40mm、公差が±01mmの円柱を製造(399mm~401mmが合格)するときに、以下のような測定器で検査を行うと仮定します。 このときに、合格と判定される範囲はそれぞれ以下のようになります。 上記の例から、測定器の精度が高い公差計算 公差、はめあい 寸法zの累積公差を統計的に計算することができる。 部品a~dの寸法公差がそれぞれの標準偏差の3倍だと仮定すると, 0になります。 なぜ はじめからこれを計算して 6199 ~ / ~ 450と書いた方が 加工者はわかりやすいと まずは、一つの部品の中で、寸法配列の違いによって、ばらつきの範囲に影響が出る事例を確認しよう。 例えば、図1左側のように、寸法「50±01」と寸法「70±02」が直列に並んで指示されている場合、横幅の全長は「1±03」となる。 つまり、寸法数値とともに寸法公差も累積して増加することが分かる。 図1 寸法の並列により寸法公差は寸法数値とともに累積し
Gcpfmpxjsdmtim
公差計算
公差計算-片側公差を入力した場合、Minitabではどのように%公差が計算されるか この場合、Minitabでは次の方法が使用されます。 基準変動統計量を2で割って片側工程変動を計算します。 Minitabでは、片側公差を単一規格限界と全測定値の平均との差の絶対値として4.力学問題の公差計算方法への応用 (1).誤差と相対誤差 (2).力=ばね定数×変位 キーワード 公差計算 幾何公差 公差値 データム 位置偏差 正規分布 不良率 単純加算 二乗和平方根 幾何偏差 組立て誤差 形状偏差 姿勢偏差 位置偏差 タグ



公差与配合查询计算公差与配合 计算题
公差計算を行う際、計算結果の値が正規分布の "3σ:997%" の範囲内となるよう各公差を2乗和平方根を用いた累積計算を行います。この2乗和平方根による公差計算ですが、過去に私が統計学の正規分布を少しかじり始めた頃、"3σ:997%" ではなく "標準偏差σ:6%" の部分を計算しISO 286 (10) による公差を使ってはめあい寸法は計算されます。 シャフトとハブの許容差に加えて、スパン、すきま、はめあいが結果として表示されます。 ISO 286 による公差は、選択された公差フィールドによって、3150mmや500mmまで定義されます図面表記の寸法に各々の寸法公差の上公差及び下公差を二乗して合わせ、 ルートでくくり、値を求める方法。 上の式から「上公差」「下公差」を集め二乗しプラス、ルートにて算出 よって公差は±017となり aは6±017→aは617~5の段差を有する。 中間値法
公差の計算 精度区分 甲1 甲2 甲3 乙1 乙2 乙3 距離の公差点間距離 (m) 00m0003√Sm (αmm) 距離Smはめあい公差一覧表(jis b /jis b 抜粋) 適用範囲 jis b は「製品の幾何特性仕様/はめあいの基礎」で、形体(円筒並びに相対する平行二平面)の長さに関わるサイズに用いるサイズ公差のためのisoコードについて規定する。 寸法公差記入上の注意点 寸法公差値を記入する際の注意点を列記する。 1 均等振り分け公差の場合 2 片振り公差の場合 片振り公差の場合、公差の値は、寸法数値が大きくなる方を上段に、小さくなる方を下段に配置する。 3 角度公差の場合
ねじ 有効径 公差 計算 有効径 2 1181 1473 1755 24 2271 2550 i 415 0 obj >stream 有効径 寸法許容差 とくにあそびの少ない精密ねじ.面の粗さ、ねじ山の角度、ピッチなどの誤差が小さく、使用中のなじみによって生じる締め付け力のゆるみ防止の効果がある. 公差解析を行う場合、片側公差はプラスマイナス公差に置き換えましょう。 ケースの幅:100 +03,0 → 1015±015(mm) 第5回目のお題は『公差計算』についてです。 これも機械設計をやっていくで必ず必要になる知識ですので、今回の題材にすることにしました。 公差の積み上げ計算方法については、大きく2種類あります。 1つ目は「PP法」というもので、p



单边公差怎么计算



Ds 007 公差與配合
公差計算 1000 のダウンロードファイル情報 ソフト名: 公差計算 1000 ファイル: kosacalczip / 560,050Bytes / 公差計算 1000 を今すぐダウンロード許容寸法公差と重量 寸法公差とは アクリル板 アクリル丸棒 アクリル角棒 アクリルパイプ パイプ 耐圧計算 ポリカーボネート板 ポリカ常温曲げ目安 アクリ屋加工精度 重量計算 板厚計算(たわみ) 寸法公差とは 表示された寸法(基準寸法)と加工品の累積公差計算Pro(Rev04) 自動 ノミナル値記入 No 寸法 ノミナル値代入 平行度代入 平面度代入 例) 05 部品名 例)13 方向成分± - 自動変換 例) ROLLER 合計 自動方向性 自動 公差振分け (±) - 公差 (上側代入) 公差 (下側代入) 計算結果例



Pan I



Example 1
手順4 ポンチ絵を元に必要な寸法値、公差値を抽出 計算に必要な寸法を明らかにする。 数字など付加することで、計算式との比較を判りやすくする。 (寸法)d 1, d 2, d 3 (公差) t 1 、t 2 、・・ 片側公差が存在する場合は、±公差に変換する。正位度(TRUE POSITION) 正位度在幾何公差上的定義(作者自己的定義)是標明一個特徵(通常是圓柱狀物體或圓柱狀孔位)的位置之容許公差帶,和一般的公差表示法有所不同,一般常見的尺寸公差(圖一) 圖一 其可變動範圍長寬各為02,所以他的公差帶會是一個矩公差計算における数学的手法(三角関数など)の適用方法 幾何公差における公差計算の考え方 以下の計算能力を有していること 単純化された形状における公差計算 Srtep2 2級 以下の各項目の 実践能力(応用力・スピード含む )を有していること



尺寸链计算i Excel 求解极限公差与统计公差 知乎



进阶篇 5 3 1 均方根法 Root Sum Squares Rss Mdmodule 博客园
的公差,依據isa規格界定限界尺寸範圍,並以兩限界尺寸之幾 何平均數作為d值,算出公差值。 為了使各種尺寸之公差數值規格化,在範圍內所有的尺寸具相同 的公差,依據isa規格界定限界尺寸範圍,並以兩限界尺寸之幾 何平均數作為d值,算出公差值。累積公差は、基本は最大最小値で計算するが、 遊びが問題になる場合 k×srss(wi) で計算する。 k をどの程度にするかは、公差 wi に対し実際の分布をどう管理するかという問題なので、 本来なら製造と設計の合意事項であるべきと思う。 公差計算 1000 公差の計算をする ネットで探すとたくさん出てくる計算ですが、webアプリで計算してくれるソフトは多数あるもののオフラインってなかなか思うものがない。



光学零件的公差计算 孔夫子旧书网



專業基礎 尺寸鏈計算及公差分析知識講解 雪花新闻
公差 / 設計とは? 設計現場の実態 / 製造現場の変化 公差設計のメリット / 計算事例 強い日本のものづくりを支えた公差設計技術公差計算(数値法)の概要 国土調査法施行令別表第四の公差計算(数値法)をします。 地図を作成するための一筆地測量及び地積測定における誤差の限度は、次によるものとする。 一 市街地地域については、国土調査法施行令 (昭和二十七年政令第五十九号)別表第四に掲げる精度区分(以下「精度区分」という。 )甲二まで 加工者側から公差を見てみる。 「②両側公差」の場合、加工者は 公差を意識せずに 加工設定値を「10」と設定できます。 あとは結果的に「101~09」の範囲に収まっていればOKということ。 一方「①片側公差」の場合、加工者は 加工設定値を計算しない



尺寸链计算方式 你了解多少 知乎



公差配合计算download App For Iphone Steprimo Com
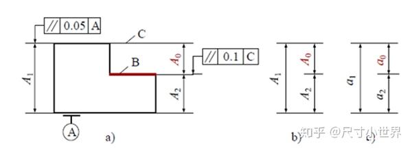
上の例では2カ所公差が入っており 基準寸法は 62 と45 になります。 それぞれ 上限値が 0010,0062 下限値が0029 , 0になります。 なぜ はじめからこれを計算して 6199 ~ / ~ 450と書いた方が 加工者はわかりやすいと思うかもしれません。FxFD10Pro 測量プログラム 公差計算(数値法) 本プログラムは、予め「 実行前に必要な設定 」が終了している事を前提としております。 年10月1日より 新バージョン(Ver11) となっております。 fxFD10Pro 実行前に必要な設定 一、60°牙型的外螺紋中徑計算及公差(國標GB197/196) a中徑基本尺寸計算 螺紋中徑的基本尺寸=螺紋大徑螺距×係數值。 公式表示:DP× 例:外螺紋M8螺紋中徑的計算 8125×=≈71 b常用的6h外螺紋中徑公差(以螺距為基準) 上限值為」0」



公差分析很難嗎 一個簡單案例帶你入門 每日頭條



工艺尺寸链计算交流公差分析 机械 机械设计 小木虫论坛 学术科研互动平台
公差チェックシート EXCEL download (19KB) 地積・辺長の公差の確認に便利です。 2 縮尺係数の計算 EXCEL download (16KB) Y座標を入力すれば縮尺係数が出ます。 3 住宅用家屋証明申請書 WORD download (72KB) 函館市の建築指導課の様式です。 4 農地法第4条第1項第5号のわかりやすーい 強度設計実務入門 基礎から学べる機械設計の材料強度と強度計算』(日刊工業新聞社) 強度設計をしっかり行うには広範囲の知識が必要です。 本書は、多忙な若手設計者でも強度設計の全体像を効率的に理解できることを目的に執筆しました。 理論や数式の導出は最低限にとどめ、たくさんの図を使って 公差設計・解析 応用セミナー 高度な公差設計(ガタ・レバー比含む)方法や 幾何公差の正しい公差計算方法を学習でき、 幾何公差の真の価値の理解と活用が図れる 提携セミナー 主催:株式会社アシストエンジニア 100社1000テーマ以上の実践指導



单边公差计算cpk 用min21 Itab15如何计算单边公差cpk



位置度具体怎么计算 实际生产中 定位孔的定位方式及位置度大小的选择 智慧汽车供应链 商业新知



工艺尺寸链计算交流公差分析 机械 小木虫 学术科研互动社区



供应dcc 尺寸链计算及公差分析软件 通格创智 杭州 信息技术有限公司 慧聪网



Minitab中sv 公差的计算公式 求大神解惑 六西格玛品质网



Monte Carlo法对轴承座装配尺寸的优化分析 直线轴承 宁波直线轴承 法兰直线轴承 直线轴承厂家 宁波宇通轴承有限公司



尺寸链计算i Excel 求解极限公差与统计公差 知乎



公差配合查询计算器 公差配合查询软件下载v1 5 0 绿色版 比克尔下载



1



Gcpfmpxjsdmtim



进阶篇 5 3 统计公差法 Mdmodule 博客园



尺寸链计算和公差叠加 入门 到 精通 系统化学习 冰衡中国人才提升研修院 千聊



几何公差联盟 Gd T培训 Gdt培训 Gdt学习资料 Gd T视频 Gdt学习视频



尺寸链计算和公差分析工具软件 尺寸链计算和公差分析工具 腾龙娱乐公司客服 Www Tl2366 Com



Cybernet 思渤科技 產品與服務 Cybernet 集團產品 Cetol 6s 3d 公差分析軟體 Cetol 6s 特色 Cetol 6s 公差設計最佳化



免费领取 尺寸链计算及公差分析理论及应用全套学习资料 尺寸链 Dcc 仿真秀干货文章



公差与配合查询计算公差与配合 计算题



产品工程2d图公差怎么标 公差标注技巧详解 优概念



1



几何公差联盟 Gd T培训 Gdt培训 Gdt学习资料 Gd T视频 Gdt学习视频



几何公差联盟 Gd T培训 Gdt培训 Gdt学习资料 Gd T视频 Gdt学习视频



有关基于正态分布的配合间隙概率计算毕业论文写作资料 论文写作网



公差分析工具 Solidworks Tolanalyst 盛维安泰



有关基于正态分布的配合间隙概率计算毕业论文写作资料 论文写作网



均方根法计算公式的由来及应用 降本设计 微信公众号文章阅读 Wemp



三坐标测量软件各项公差计算方法 百度经验



0000 螺纹尺寸 公差等级计算公式 文档库



尺寸链计算i 极限公差分析与统计公差分析 知乎



手机免费机械公差免费查询app安卓版 手机免费机械公差查询app下载v2 8安卓最新版 新绿资源网



簡易公差堆疊 熱流資訊站



公差分析 尺寸链 尺寸链计算 棣拓软件技术 上海 有限公司 Dtas在进 排气门中的应用



内外边界在公差叠加计算中的应用 尺寸



供应dcc 尺寸链计算及公差分析软件 通格创智 杭州 信息技术有限公司 慧聪网



进阶篇 5 公差分析总章节 Mdmodule 博客园



公差分析 尺寸链 尺寸链计算 棣拓软件技术 上海 有限公司 行业案例



公差分析很难吗 一个简单案例带你入门 知乎



1



尺寸链计算和公差分析工具软件 尺寸链计算和公差分析工具 腾龙娱乐公司客服 Www Tl2366 Com



产品工程2d图公差怎么标 公差标注技巧详解 优概念



尺寸链计算及公差分析软件 上海凸分信息科技有限公司



同轴度公差怎么计算同轴度公差怎么计算的 求详细的解释



产品 尺寸公差问题的利器 尺寸链计算及公差 分析软件dcc 机械设计培训 机械设计课程 机械设计视频 机械设计技术教程 机械设计资料下载 Solidworks Ug Inventor软件应用



1



Cnb 零件公差计算分析系统及方法 Google Patents



公差计算公式 Inventor 19 Autodesk Knowledge Network



内外边界在公差叠加计算中的应用 尺寸



公差分配 等公差法和等公差等级法 尺寸链 Dcc 仿真秀干货文章



最大實體補償位置度的計算方法 雪花新闻



机器视觉检测 分辨率 精度 公差的关系 检测资讯 嘉峪检测网



尺寸链计算i 极限公差分析与统计公差分析 知乎



Excel公差计算 西瓜视频搜索



工艺尺寸链计算交流公差分析 机械 小木虫 学术科研互动社区



公差分析 尺寸链 尺寸链计算 棣拓软件技术 上海 有限公司 Dtas 电机径向中心同轴度尺寸链计算



尺寸链计算方法公差计算下载 Word模板 爱问共享资料



公差叠加分析类型



公差分析 尺寸链 尺寸链计算 棣拓软件技术 上海 有限公司 公差分配



标准公差系列公差带大小标准化优质课件专业知识讲座下载 Ppt模板 爱问共享资料



进阶篇 5 3 1 均方根法 Root Sum Squares Rss Mdmodule 博客园



尺寸链和公差叠加 孔轴装配位置度公差计算 Youtube



Excel表格公差计算 西瓜视频搜索



配合公差怎么计算 搜狗搜索



公差计算 搜索结果 哔哩哔哩 Bilibili



怎么计算公差等级 百度经验



公差配合计算应用排名和商店数据 App Annie



蔡司calypso技巧之垂直度计算 公差



幾何元素的計算 幾何公差評定方法 每日頭條



有关机械装配的知识点 你掌握了吗 维科号



平行度垂直度倾斜度公差计算程序 方向公差计算器 V1 1 绿色版软件下载 绿色先锋下载 绿色软件下载站



软件课堂 Calypso技巧之垂直度计算 中仪联 原中国仪器联盟



公差计算器下载 公差计算公式软件下载 手机版西西软件园



Iso公差计算器相似应用下载 豌豆荚



尺寸链计算及公差分析工程服务 尺寸链计算和公差分析工具 腾龙娱乐公司客服 Www Tl2366 Com



尺寸链公差叠加分析计算资料免费下载 电子发烧友网



产品 尺寸公差问题的利器 尺寸链计算及公差 分析软件dcc 机械设计培训 机械设计课程 机械设计视频 机械设计技术教程 机械设计资料下载 Solidworks Ug Inventor软件应用



Rationaldmis 轮廓度公差计算 山涧果子的博客 Csdn博客



产品 尺寸公差问题的利器 尺寸链计算及公差 分析软件dcc 机械设计培训 机械设计课程 机械设计视频 机械设计技术教程 机械设计资料下载 Solidworks Ug Inventor软件应用



Fbrq2hxz4tqzbm



Gd Amp T形位公差与尺寸链计算 杭州站 全德咨询 微信公众号文章阅读 Wemp



机械设计常用资料 六 之标准公差 维科号



Minitab 公差区间可否用人工计算来代替 六西格玛品质网



機械工程師珍藏版 螺紋大徑 中徑 小徑計算公式 雪花新闻



基于尺寸链的传递系数取值问题的研究 参考网



蔡司calypso技巧之垂直度计算 公差



Ppt 第2 章圆柱结合的公差与配合powerpoint Presentation Id



标准公差之公差等级 行业动态 厂家直销三坐标 三坐标测量仪 三坐标测量机 影像仪 三鼎测量



公差配合计算download App For Iphone Steprimo Com



App Store 上的 公差配合计算



公差配合问题 千万不能忽视 偏差 设计员 金属 网易订阅



基准 加工余量 尺寸链及公差计算 Ppt 沃文网wodocx Com



公差分析範例計算公差 Itha



尺寸工程 尺寸链计算及公差分析教程 Dcc培训视频课程 哔哩哔哩 Bilibili



尺寸链入门篇 尺寸链计算类型概述

コメント
コメントを投稿